introduction to products:
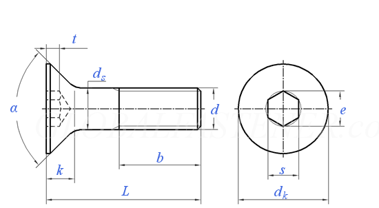
Stainless Steel Hexagon Socket Countersunk Head Cap Bolts (DIN 7991) are countersunk - head fasteners with internal hex sockets, designed for flush - mounted installations. Crafted from stainless steel grades like SS304 (general corrosion resistance for dry/wet environments) and SS316 (superior saltwater/chemical resistance for marine/industrial use), they adhere to the DIN 7991 standard. The countersunk (CSK) head sits perfectly flush with the workpiece, eliminating protrusions. Available in sizes from M3 to M24, they deliver high strength (with grades like A2 - 70 for SS304, A4 - 80 for SS316) and are widely used in machinery (die fixturing), electronics (circuit board mounts), furniture (hidden fastening), and architectural hardware (trim panels), where a smooth, snag - free surface and corrosion resistance are critical.
Instructions for Use:
Install using a matching hex socket wrench, tightening until the CSK head is fully flush with the workpiece (follow torque guidelines based on stainless steel grade — e.g., A4 - 80 requires higher torque than A2 - 70). For maintenance: Clean regularly with a dry cloth; stainless steel’s passive oxide layer resists rust, but avoid long - term exposure to strong acids/alkalis. If scratched, the oxide layer self - repairs in air, though deep scratches can be treated with stainless - specific anti - rust spray.
| Screw Thread | M3 | M4 | M5 | M6 | M8 | M10 | M12 | (M14) | M16 | M20 | M24 | |
| d | ||||||||||||
| P | Pitch | 0.5 | 0.7 | 0.8 | 1 | 1.25 | 1.5 | 1.75 | 2 | 2 | 2.5 | 3 |
| α | tol.(+2) | 90° | 90° | 90° | 90° | 90° | 90° | 90° | 90° | 90° | 90° | 60° |
| b | L≤125 | 12 | 14 | 16 | 18 | 22 | 26 | 30 | 34 | 38 | 46 | 54 |
| 125<L ≤ 200 | / | / | / | 24 | 28 | 32 | 36 | 40 | 44 | 52 | 60 | |
| L>200 | / | / | / | / | / | 45 | 49 | 53 | 57 | 65 | 73 | |
| dk | max=nominal size | 6 | 8 | 10 | 12 | 16 | 20 | 24 | 27 | 30 | 36 | 39 |
| min | 5.7 | 7.64 | 9.64 | 11.57 | 15.57 | 19.48 | 23.48 | 26.48 | 29.48 | 35.38 | 38.38 | |
| ds | max=nominal size | 3 | 4 | 5 | 6 | 8 | 10 | 12 | 14 | 16 | 20 | 24 |
| min | 2.86 | 3.82 | 4.82 | 5.82 | 7.78 | 9.78 | 11.73 | 13.73 | 15.73 | 19.67 | 23.67 | |
| e | min | 2.3 | 2.87 | 3.44 | 4.58 | 5.72 | 6.86 | 9.15 | 11.43 | 11.43 | 13.72 | 16 |
| k | max | 1.7 | 2.3 | 2.8 | 3.3 | 4.4 | 5.5 | 6.5 | 7 | 7.5 | 8.5 | 14 |
| s | Nominal Size | 2 | 2.5 | 3 | 4 | 5 | 6 | 8 | 10 | 10 | 12 | 14 |
| min | 2.02 | 2.52 | 3.02 | 4.02 | 5.02 | 6.02 | 8.025 | 10.025 | 10.025 | 12.032 | 14.032 | |
| max | 2.1 | 2.6 | 3.1 | 4.12 | 5.14 | 6.14 | 8.175 | 10.175 | 10.175 | 12.212 | 14.212 | |
| t | max=nominal size | 1.2 | 1.8 | 2.3 | 2.5 | 3.5 | 4.4 | 4.6 | 4.8 | 5.3 | 5.9 | 10.3 |
| min | 0.95 | 1.55 | 2.05 | 2.25 | 3.2 | 4.1 | 4.3 | 4.5 | 5 | 5.6 | 9.87 | |
| Weight of per 1000 steel products(≈kg) | - | - | - | - | - | - | - | - | - | - | - | |
| Length of Thread b | - | - | - | - | - | - | - | - | - | - | - | |
Hebei Duojia Metal Products Co., Ltd. was formerly known as Yonghong Expansion Screw Factory. It has over 25 years of professional experience in manufacturing fasteners. The factory is located in the China Standard Room Industrial Base - Yongnan District, Handan City. It conducts online and offline production and manufacturing of fasteners as well as one-stop sales service business.
The factory covers an area of over 5,000 square meters, and the warehouse covers an area of over 2,000 square meters. In 2022, the company carried out industrial upgrading, standardized the production order of the factory, improved the storage capacity, enhanced safety production capacity, and implemented environmental protection measures. The factory has achieved a preliminary green and environmentally friendly production environment.
The company has cold pressing machines, stamping machines, tapping machines, threading machines, forming machines, spring machines, crimping machines, and welding robots. Its main products are a series of expansion screws known as "wall climbers".
It also produces special-shaped hook products such as wood tooth welding sheep eye ring screws and machine tooth sheep eye ring bolts. In addition, the company has expanded new product types from the end of 2024. It focuses on pre-buried products for the construction industry.
The company has a professional sales team and a professional follow-up team to safeguard your products. The company guarantees the quality of the products it offers and can conduct inspections on the grades. If there are any problems, the company can provide professional after-sales service.
Our export countries include Russia, South Korea, Britain, France, Germany, Italy, Canada, Mexico,Brazil, Argentina, Chile, Australia, Indonesia, Thailand, Singapore, Saudi Arabia, Syria, Egypt, Tanzania.Kenya and other countries. Our products will be spread all over the world!
WHY CHOOSE US?
1.As a factory-direct upplier,we eliminate middleman margis to offer you the most competitive pricing for high-quality fasteners.
2.our factory pass the ISO 9001 and AAA certification .we have the hardness testing and the test of zinc coating thickness for galvanized products.
3.with full contrl over production and logistic,we guarantee on-time delivery even for urgnt orders .
4.our engineering team can customize faseners from prototype to mass production , including unique thread designs and anti-corrosion coatings.
5.From carbon steel hex bolts to high-tensile anchor bolts ,we provide a one-stop solution for all your fastener needs.
6.If any defect is found ,we’ll reship replacements within 3weeks of our cost .
-
DIN7991 Dacromet CSK Flat Head Hex Socket Bolts...
-
Handan HDG DIN7991 CSK Hex Socket Bolts – Facto...
-
DIN7991 CSK Flat Head Hex Socket Bolts – White/...
-
Black Oxide/Zinc CSK Flat Head Hex Socket Bolts...
-
Brass DIN7991/931/933 Bolts – CSK & Hex He...
-
DIN 931/933 Yellow Zinc Hex Bolts – Partial/Ful...

















